 |
Manômetro Industrial de Aço inoxidável
Diâmetro: 80, 100, 114 e 150 |
|
|
|
|
| |
Definição |
| |
|
| |
Os Manômetros tipo
Industrial IOPE da série 617 com
tubo Bourdon, construídos em aço
inoxidável, foram introduzidos no
mercado para atenderem às aplicações
onde o processo precisa de uma construção
mais robusta, adequada para ambientes corrosivos,
meios gasosos ou líquidos, que não
obstruam o sistema de medição.
O invólucro em aço inoxidável
proporciona ao instrumento elevada resistência
a impactos e hermeticidade às intempéries
e poeira, sem comprometimento de seu peso.
|
|
|
|
|
| |
|
|
| |
| |
Caixa: Aço inox estampado, frente
aberta com engate baioneta, acabamento polido.
Anel: Aço inox estampado, engate
baioneta com acabamento polido.
Visor: Vidro plano, espessura 3 mm (opcionalmente
em acrílico).
Mostrador: Fundo branco, caracteres pretos,
escala em arco de 270º.
Dispositivo de segurança: Disco
de Neopone. Anéis de vedação:
Borracha natural /nitílica.
Elemento sensor: Tubo Bourdon de Aço
Inox 304/316, formato "C" até
70 kg/ cm2. Formato espiral até 1000 kgf/cm2.
Soquete: Aço inox (opcional Latão).
Mecanismo: Aço inox 304/316 (opcional
Latão).
Processo de solda: Tig.
Conexão: 1/4" ou 1/2"
NPT/BSP. Outras sob consulta.
Ponteiro: Balanceado, com ajuste micrométrico.
Tolerâncias: Standard, ±1%
do total da faixa (Classe A1). Nas versões
com enchimento de líquido, acrescer ±
0,5% na tolerância do instrumento.
Unidades de pressão: Em bar, kgf/cm2,
psig, Pa (e múltiplos), mmHg, cmHg e polHg.
Faixas especiais: Receptor pneumático
(3 a 15 psig ou 0,2 a 1 kgf/cm2), linear ou quadrática.
Escalas compostas vácuo/pressão/temperatura
correspondente, para aplicação com
amônia (NH3).
|
|
|
| |
|
|
| |
| |
|
|
| |
|
|
| |
 |
|
| |
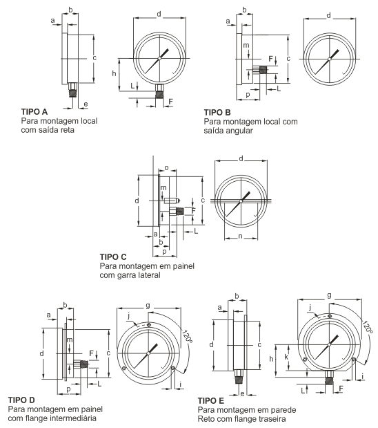
*Verificar
as dimensões para manômetros na tabela
1 clicando
aqui |
|
|
| |
|
|
| |
| Faça
sua especificação no formulário abaixo
e envie-nos o mesmo. Entraremos em contato. |
|
|
|
|
© Copyright IOPE - Instrumentos de Precisão Ltda.
- Todos os direitos reservados |
 |
| |
|
|
|