|
|
|
|
| |
Aplicação |
| |
|
| |
O Limitador de Sobrepressão ou Válvula
de Sobrepressão IOPE da série
800.01 é um equipamento eficaz, como
acessório para trabalhar em conjunto
com manômetros ou pressostatos quando
o processo está sujeito a sobrecargas
de pressão que ultrapassem a escala
de trabalho do equipamento.
|
|
|
|
|
| |
|
|
| |
| |
Princípio
de funcionamento:
Composto de pistão, mola e parafuso de
ajuste. O circuito estará aberto ao instrumento
quando a pressão da mola exceder à
pressão do fluído do processo, sendo
que na situação inversa acionará
o pistão bloqueando o circuito, protegendo
o instrumento da sobrecarga de pressão.
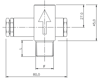
Caracterísitcas
técnicas:
Corpo:
Quadrado de 1.1/4" em aço inox.
Tampão:
Sextavado de 1" em aço inox.
Parafuso
de Ajuste: Aço inox 316
Pistão:
Aço inox 316
Mola:
Aço inox 316
Anéis
de Vedação: Tipo O'ring
nitrilo.
Conexão:
1/4" ou 1/2" NPT ou BSP.
Lubrificação:
Vaselina.
Temperatura
de operação: 500ºC. |
|
|
| |
|
|
| |
|
|
| |
| Faça
sua especificação no formulário abaixo
e envie-nos o mesmo. Entraremos em contato. |
|
|
|
|
© Copyright IOPE - Instrumentos de Precisão Ltda.
- Todos os direitos reservados |
 |
| |
|
|
|