|
|
|
|
| |
Definição |
| |
|
| |
O selo IOPE tipo abraçadeira
de uso sanitário é projetado
para aplicações em indústrias
de alimentos, bebidas, farmacêuticas,
onde um diafragma é soldado na face
de contato com o produto. São construídos
com alojamento superior e partes de solda
de aço inox 304 ou 316 e conexão
de processo para tubos de 1 ½ a 6
polegadas. Instalação e remoção
do sistema de modo rápido e simples,
para limpeza ou visita, quando se usa abraçadeira
de ligação. O uso da abraçadeira
está condicionado a pressão
do processo. São projetadas e construídas
com diafragma para isolar o produto com
o sistema de medição de pressão,
temperatura, etc. Excelente aplicação
em processos corrosivos, viscosos, com sedimentação
e ou ainda materiais particulados. O diafragma
é soldado no corpo superior, a fim
de assegurar o separação do
fluido de enchimento do instrumento de medição
de pressão, ou soldado na bainha
do instrumento de medição
de temperatura.
A posição do diafragma permite
fácil limpeza de sua superfície
enquanto que a abraçadeira é
de fácil conexão ao processo
assim como sua remoção freqüente.
Nas operações de esterelização
e limpeza, exigência comum nas indústrias
de alimentos e farmacêuticas, esse
tipo de conexão facilita toda a operação
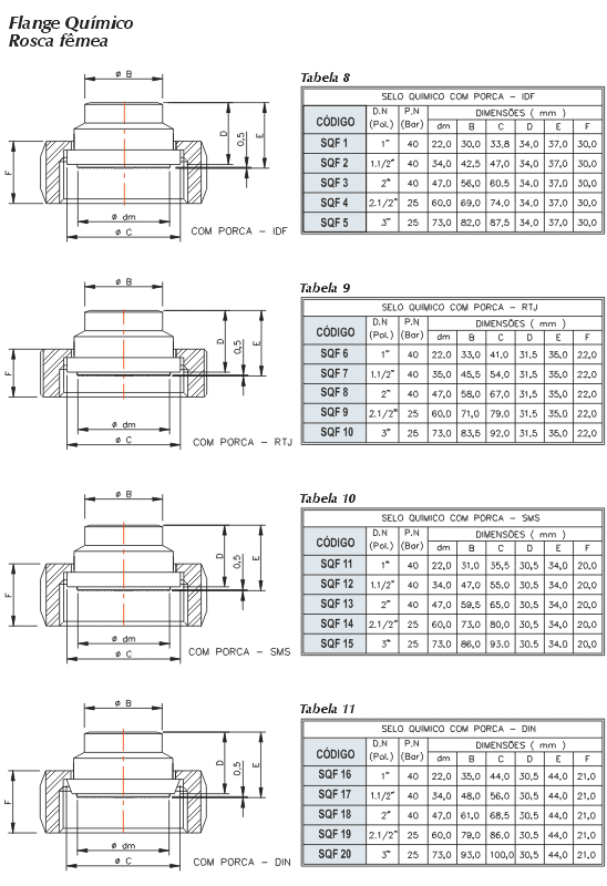
e higiene. Construídos sob outra
forma e de conexão por rosca, tem
sua forma tipo união roscada com
rosca macho ou fêmea, nas construções
padronizadas desse sistema de conexão.
Ver tabelas construtivas nas páginas
seguintes e as normas de fabricação.
A IOPE garante a conexão de seus
produtos com qualquer outro fabricante de
qualidade e que atenda as normas pertinentes.
Também podem ser solicitadas flanges
especiais e sob medida, mediante consulta.
Todos os nossos flanges sanitários
são fabricados a partir de microfundidos.
|
|
|
|
|
| |
|
|
| |
|
|
| |
|
|
| |
| Faça
sua especificação no formulário abaixo
e envie-nos o mesmo. Entraremos em contato. |
|
|
|
|
© Copyright IOPE - Instrumentos de Precisão Ltda.
- Todos os direitos reservados |
 |
| |
|
|
|